Built-In Color Sensor B5WC

Reliable Detection of Changes and Differences in Color – Contributes to Automation of Equipment – Built-In Color Sensor B5WC Many videos are also available.

Summary

As labor shortages become more apparent, there is a growing need for automation through remote monitoring and more efficient maintenance in the manufacturing industry and multi-functional equipment in the service industry. Incorporating OMRON's "Color Sensors" into equipment can help solve these problems.
For example, in the case of machine tools, progressive deterioration of lubricant leads to equipment failure. It will become possible to efficiently maintain the equipment and gauge the optimal time to replace the lubricant by monitoring the color of the lubricant with a color sensor.
In the case of commercial drink dispensers, color sensors can automate beverage selection according to cup color, contributing to improved store work efficiency and reduced waste loss due to improper operation of buttons. For more information, please watch the video

Proposal of Color Sensor Utilization

1.Liquid condition monitoring

A color sensor monitors changes in the color of the liquid which contributes to more efficient equipment maintenance. Example applications Machine tool

Challenge(1)

Deterioration of lubricating oil can cause equipment failure. If the timing of replacement is delayed due to the personal judgment criteria of each person in charge or the frequency of inspections, there is a risk of sudden breakdown or destruction of the equipment, which may result in loss of production for a certain period of time.

Solution(1)

By monitoring the color of the lubricating oil with a color sensor, the deterioration of the oil for each equipment can be quantitatively monitored by color, and the oil can be replaced at the optimum time without depending on personal criteria.

Petroleum product color standard sample* Ratio of RGB output voltage to petroleum product color standard sample* Using the petroleum product color standard sample*, the output voltage values of the color sensor were graphed as a ratio of green and blue to red.

The actual measurement of the lubricant with the color sensor can be seen in the video below.

Challenge(2)

Lubricating oil degradation differs for each equipment depending on operating conditions, making the oil replacement complicated and increasing man-hours required for management.

Since each equipment operates under different conditions and the lubricating oil deteriorates at different speeds, all equipment is visually inspected on a regular basis.

Solution(2)

Color sensors can be used for remote monitoring. The deterioration of lubricating oil in each equipment can be monitored by color, contributing to optimization of oil replacement timing and efficiency.

Lubricating oil replacement for only the necessary equipment can be planned for optimal timing.

2.Multi-functionalization of equipment

Assists equipment multifunctionality and work automation by an operation based on the color information of the detected object.

Challenge

Presence/absence detection sensors can detect presence/absence, but cannot output signals according to type.

Solution

By color coding the equipment operation with signal output corresponding to the color of the color sensor, it is possible to build multi-functional equipment that meets diversifying needs.

For example, if the color of a purple cup is recognized, grape juice is served; if the color of a red cup is recog- nized, strawberry juice is served; and so on. It also reduces beverage disposal losses due to wrong button operation.

Using Munsell color, the maximum output voltage value of the color sensor was set as 100%, and the ratio of each voltage value to the maximum voltage value was graphed. The ratio of RGB data changes according to the Munsell color.

The actual measurement of color with the color sensor can be seen in the video below.

3.Stable operation of equipment

Provides stable operation of equipment by detecting the objects by color.

Challenge

In the case of conventional optical sensors, which detect the difference in the amount of reflected light, backgrounds may be detected or the object may not be stably detected due to the background.

Solution

The presence or absence of an object to detect may be confirmed by using a signal output from a color sensor for each color of the detected object.

Example applications Object detection on the production line

The measurement with a general optical sensor and the color sensor can be seen in the video below.

Color sensor principle

I2C RGB signal

A color sensor uses a white LED as its light source to emit light and receive reflected light (the ratio of red, green, and blue is unique to each color) determined by the color of the detected object. The color sensor separates the reflected light received into red, green, and blue, and outputs the red, green, and blue data (RGB data) as voltage values using the I2C communication method.
For example, in the case of red and yellow detected objects, the red, green, and blue output values from the color sensor are different for red and yellow reflected light by the white LED, allowing differentiation of red and yellow.

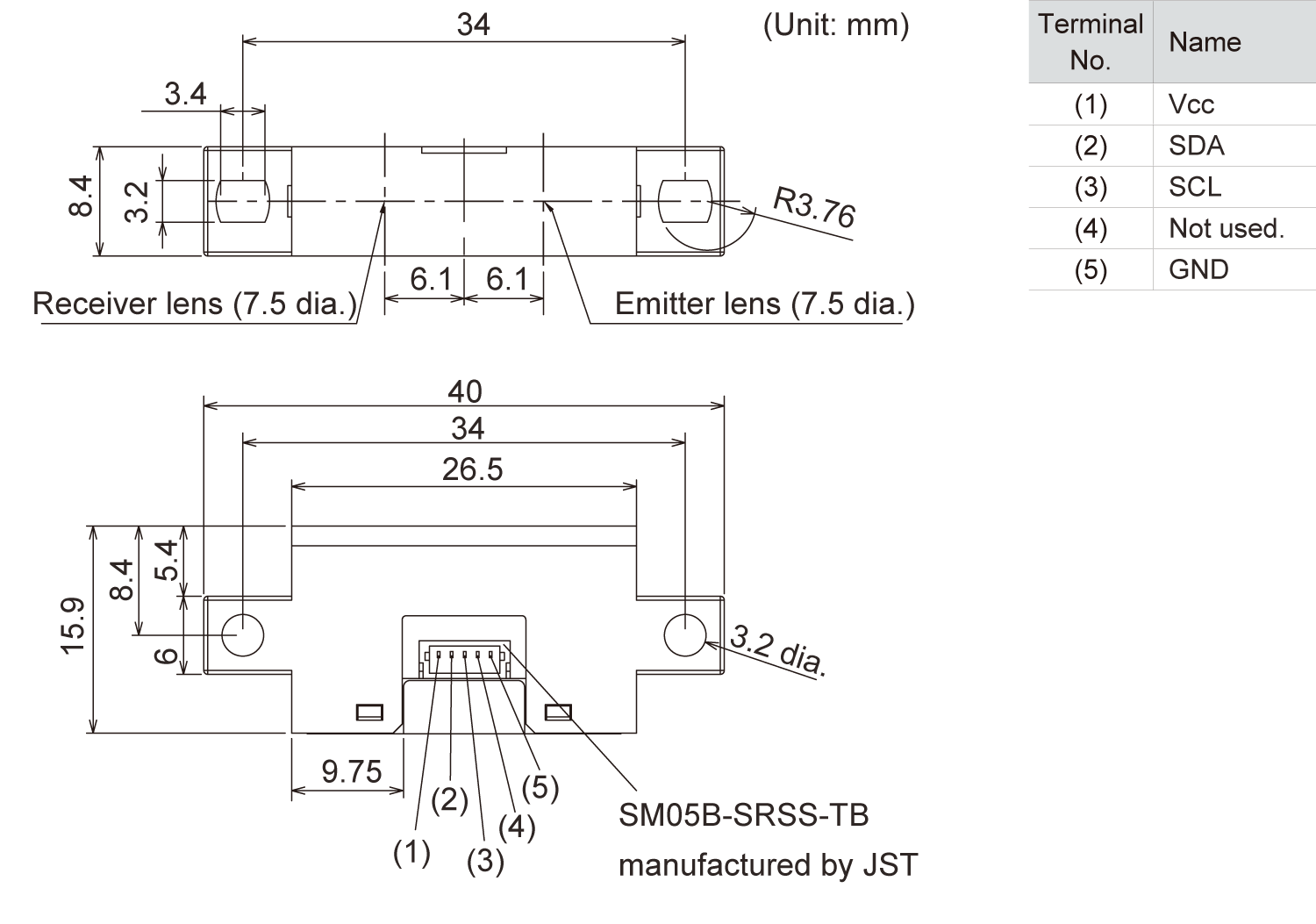
Product Specifications & Dimensions

Product Specifications

Item
Model
B5WC-VB2322-1
Sensing distance40mm (white paper)
Light sourceWhite LED
Power supply voltage5 VDC±5%
Current consumption18 mA max. (at 5.25 VDC)
Output typeI2C communications supported
I2C outputOutput voltage value for red/green/blue: 0.45 V±20% (gray reference plate, at sensing distance of 40 mm), Output saturation voltage: Typ 2.75 V (output voltage range: 0 to 2.75 V), SCL/SDA input H voltage: 2.54 to 5.4 V, Input L voltage: 0.9 V max., SDA output L voltage: 0.44 V max. (at output current of 3 mA)
Sampling period1msec
Data refresh periodSampling period (1 msec) x Average count (1 to 50 times)
Ambient temperature rangeOperating: -10 to +70°C, Storage: -25 to +80°C (with no icing or condensation)

Dimensions

40mm x 8.4mm x H15.9mm

Related Contents

Contact us